Online Vector Creator

ADVERTISEMENT

700x490 Fresh Wedding Invitation Online Creator And Wedding Invitation
700x490 Fresh Wedding Invitation Online Creator And Wedding Invitation
894x894 Performing Arts Employment Sydney, Online Vector Art Creator, Free
894x894 Performing Arts Employment Sydney, Online Vector Art Creator, Free
544x516 15 Png Logo Creator Online For Free Download On Mbtskoudsalg
544x516 15 Png Logo Creator Online For Free Download On Mbtskoudsalg
700x297 Best Free Online Logo Maker Tools 2018
700x297 Best Free Online Logo Maker Tools 2018
600x418 A Free Online Vector Editor Method Draw
600x418 A Free Online Vector Editor Method Draw
780x438 Aurora3d Software On Vimeo
780x438 Aurora3d Software On Vimeo
550x297 Free Browser Based Online Vector Graphics Creator, Editor With
550x297 Free Browser Based Online Vector Graphics Creator, Editor With
600x360 Free Browser Based Online Vector Graphics Creator, Editor With
600x360 Free Browser Based Online Vector Graphics Creator, Editor With
236x236 Free Logos Creator
236x236 Free Logos Creator
560x420 Free Organizational Chart Organization Vector Maker Online
560x420 Free Organizational Chart Organization Vector Maker Online
1920x1080 Illustrator Tutorial Using The New Pattern Generator
1920x1080 Illustrator Tutorial Using The New Pattern Generator
738x428 Logo Design Editor Online Maker Vector Attractive Image Original 2
738x428 Logo Design Editor Online Maker Vector Attractive Image Original 2
800x540 Logos. Logo Image Creator Online Logo Maker Vector Design
800x540 Logos. Logo Image Creator Online Logo Maker Vector Design
700x661 Logos. Pixel Logo Maker Online Logo Maker Vector Design Youidraw
700x661 Logos. Pixel Logo Maker Online Logo Maker Vector Design Youidraw
236x236 Mondrian
236x236 Mondrian
1280x720 Online Banner Maker, Icon Make, Vector Graphic Design
1280x720 Online Banner Maker, Icon Make, Vector Graphic Design
1280x720 Online Logo Creator, Vector Logo Maker
1280x720 Online Logo Creator, Vector Logo Maker
540x500 Online Logo Maker, Vector Logo Design Online, Youidraw Logo
540x500 Online Logo Maker, Vector Logo Design Online, Youidraw Logo
615x580 Online Logo Maker, Vector Logo Design Online, Youidraw Logo Creator
615x580 Online Logo Maker, Vector Logo Design Online, Youidraw Logo Creator
800x500 Online Logo Maker Vector Design Youidraw Creator Great Shape Ideal
800x500 Online Logo Maker Vector Design Youidraw Creator Great Shape Ideal
1206x530 Online Logo Maker Vector Design Youidraw Creator Great Web
1206x530 Online Logo Maker Vector Design Youidraw Creator Great Web
650x650 Online Logo Maker Vector Design Youidraw Creator Perfect Free
650x650 Online Logo Maker Vector Design Youidraw Creator Perfect Free
650x650 Online Text Logo Design Maker
650x650 Online Text Logo Design Maker
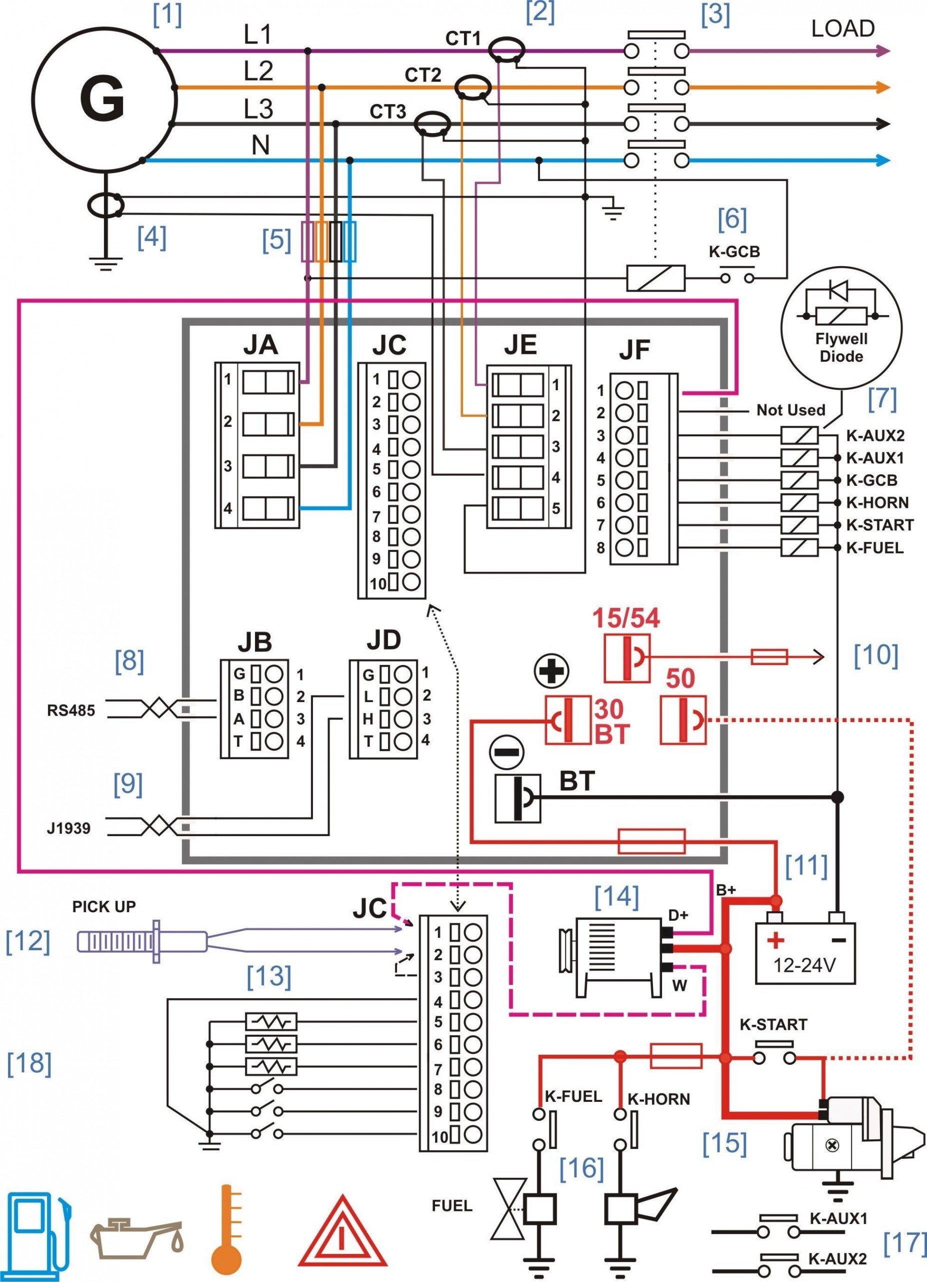
1854x2562 Online Vector Diagram Maker
1854x2562 Online Vector Diagram Maker
500x500 Online Writing Logo, Cloud Creator Logo Designs Vector
500x500 Online Writing Logo, Cloud Creator Logo Designs Vector
734x634 Online Clipart Library Stock Creator
734x634 Online Clipart Library Stock Creator
600x477 Svg Edit Online Vector Graphics Editor Sitepoint
600x477 Svg Edit Online Vector Graphics Editor Sitepoint
236x700 Set Of Website Banner Vector Illustration Sale Discount Styled
236x700 Set Of Website Banner Vector Illustration Sale Discount Styled
640x239 The Renowned Vector Image Creator In Minnesota
640x239 The Renowned Vector Image Creator In Minnesota
500x277 Top Web Apps
500x277 Top Web Apps
550x440 Vector Creator
550x440 Vector Creator
700x500 Youidraw, Online Vector Graphic Design, Online Logo Maker
700x500 Youidraw, Online Vector Graphic Design, Online Logo Maker
1300x971 Brochure Creator Online
1300x971 Brochure Creator Online

Tags: online, creator

All rights to the published drawing images, silhouettes, cliparts, pictures and other materials on GetDrawings.com belong to their respective owners (authors), and the Website Administration does not bear responsibility for their use. All the materials are for personal use only. If you find any inappropriate content or any content that infringes your rights, and you do not want your material to be shown on this website, please contact the administration and we will immediately remove that material protected by copyright.

shutterstock thanksgiving day

Step by Step Tutorials

Drawing Hacks